The JT axial flow turbocharger comprises a single stage centrifugal compressor and an axial turbine with inboard film bearings. It is designed for four-stroke high-speed diesel engines with an output range from 600kW to 3000 kw.
Features
> Offering pressure ratio as high as 4.0 and turbocharging efficiencies up to 64%;
> Serial products, applicable for different diesel engines
> Inboard bearing using engine lubricating oil with good reliability
> Compact and less parts, convenience for assembly and maintenance
> Special design for sequential turbocharging system(Option)
| Type |
Pressure Ratio *1 |
Power per Turbocharger *2 |
Overall Efficiency *3 |
| 型號 |
可用壓比 *1 |
單機匹配功率 *2 |
整機效率 *3 |
| JT240 |
3.2 |
600 - 1200 |
62% |
| JT300 |
3.5 |
900 - 2000 |
64% |
| JT304 |
3.5 |
1600 - 2800 |
64% |
| JT350 |
3.5 |
2000 - 3000 |
64% |
*1:When the diesel is operated at rated load 柴油機額定負荷時
*2:Air consumption rate: le = 7kg/kW*h 按空氣消耗率 le = 7kg/kW*h 計算
*3:Tested data 平臺測試數據
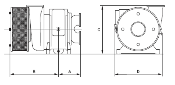
Size and Weight
尺寸及重量

| Type |
A(mm) |
B(mm) |
C(mm) |
D(mm) |
Weight(kg) |
| 型號 |
重量(kg) |
||||
| JT240 |
265 |
590 |
535 |
575 |
300 |
| JT300 |
315 |
740 |
690 |
705 |
500 |
| JT304 |
325 |
850 |
820 |
880 |
850 |
| JT350 |
325 |
850 |
820 |
880 |
840 |
Adress: Jiangjin,Chongqing,China
Telephone: 023-47221467 Fax: 023-47221009
E-mail: jtmail@jtp.com.cn
